Procesní tvorba dokladů - Objednávka přijatá (OP) → Faktura vydaná (FV)
Jedná se o jednu z možností tvorby faktury vydané (FV). Odkud lze vyvolat tvorbu FV a jaké jsou další podmínky pro vytvoření nové FV, viz popis funkce Nový v záložce Seznam agendy Faktury vydané. Co je procesní tvorba dokladů a její význam, viz kap. Procesní tvorba dokladů - obecně. Všeobecný postup viz kap. Procesní tvorba dokladů - Fáze a průvodce tvorbou dokladu.
Zde uvedeme konkrétní údaje k tvorbě dokladu Faktura vydaná podle dokladu Objednávka přijatá:

- z agendy FV funkcí Nový podle OP
- z agendy FV funkcí Import v rámci editace FV
- z agendy OP funkcí Vytvořit
- z agendy OP funkcí Hromadná fakturace

Zde je možnost obecně vybrat více zdrojových dokladů. Čili vystavit následnou FV podle více OP najednou. Zda se pro výběr zdrojových dokladů nabídne Průvodce výběrem dokladu nebo zda se vyberou jiným způsobem (označením přímo v záložce seznam), závisí na místě, odkud byla procesní tvorba vyvolána. Dále viz obecný popis fáze Výběr zdrojových dokladů.
Tip pro případ, kdy se pro výběr dokladů vyvolává Průvodce výběrem dokladů: Průvodce umožňuje dohledání a výběr požadovaného dokladu dle různých kritérií a v tomto případě má k dispozici i volbu "dle předvyplněných podmínek" (viz popis Průvodce). Pokud ji použijete, nabídne seznam omezený jen za doklady "čerpatelné". Požadovaný doklad pak vybíráte jen z dokladů, ze kterých ještě lze něco čerpat. (Význam tohoto omezení viz kap. Objednávky přijaté - záložka Omezení.)
Zde je dále součástí výchozího omezení také omezení za firmu - tedy nabízí se jen objednávky přijaté vystavené na shodnou firmu jako je firma v editované faktuře, s výjimkou případu, kdy v hlavičce dokladu je firma shodná jako firma z firemních nastavení (jelikož v tom případě se jedná zřejmě o situaci, kdy se firma do hlavičky předvyplnila automaticky a uživatel zatím konkrétní firmu nezadal, tudíž omezení objednávek za takovou firmu by nebylo žádoucí).

Ze vstupních kontrol uvedených v rámci obecného popisu fáze Vstupní kontroly vybraných dokladů zde přichází v úvahu následující:
- Kontrola shodnosti typu obchodu vybraných dokladů
- Kontrola shodnosti firmy vybraných dokladů
- Kontrola shodnosti použití slev vybraných dokladů
Pokud importujete objednávky, se kterými se budou automaticky importovat i s nimi svázané dodací listy (dále viz Pravidla pro čerpání - importovatelné řádky), pak se výše zmíněné kontroly provádí nejen pro vybrané objednávky, ale i pro zmíněné dodací listy.
- Kontrola čerpatelnosti vybraných dokladů - Tj. zda na vybraných zdrojových dokladech existuje alespoň jeden řádek, který byl vyhodnocen jako importovatelný.
Nejedná se o shodné omezení jako je omezení za čerpatelné doklady, viz kap. Objednávky přijaté - záložka Omezení, jelikož to bere v potaz řádky 2 a 3 a nebere v potaz řádky typu 0 a 1 (tudíž nebere v potaz možnost opakovatelného čerpání těchto řádků).

Doplňující údaje k obecnému popisu fáze Vyvolání průvodce tvorbou dokladu.

V prvním kroku zadáte základní hodnoty pro předvyplnění tvořené faktury vydané:
Příklad dialogu pro předvyplnění údajů tvořené faktury vydané
K jednotlivým možnostem:
Název | Popis | |
---|---|---|
Řada dokladů |
Není k dispozici k editaci, pokud je procesní tvorba vyvolána z již rozeditovaného dokladu, v jehož hlavičce je již řada zadána. (Zde funkcí Import v detailu FV.) Vyberete řadu dokladů. Zadání řady je zde povinné. |
|
Omezení pro řádky (není tedy nutné si nechat naimportovat všechny řádky, které z daného dokladu importovat ještě lze, ale je možno si vybrat jen některé, přičemž pokud je zatrženo více podmínek současně, pak se z importovatelných řádků naimportují jen ty řádky, které splňují všechny podmínky současně): | ||
Výběr podle data dodání |
Je-li zatrženo omezení za datum dodání, zpřístupní se položka pro zadání hraničního datumu - z importovatelných řádků pak budou vybrány jen ty, jejichž datum dodání je nižší nebo rovno zadanému datumu. Toto omezení se dříve vztahovalo pouze na skladové řádky. Od v. 6.04 se vztahuje na všechny typy řádků. Mějme objednávku OP-1 a na ní řádek typu 3-skladový a řádek typu 2-text s počtem a částkou, oba s datem dodání 15.10.06. Importujeme OP-1 do FV a zadáme omezení dle data dodání do 10.10.06. Ani jeden řádek se nenaimportuje, jelikož kritérium nesplňuje. Výše zmíněná omezení za importované řádky nijak nezohledňují rezervace. Kontrola případných rezervací proběhne až při uložení dokladu, viz dále. |
|
Jen pokryté skladem |
Je-li zatrženo omezení podle pokrytí skladem, zpřístupní se položka pro výběr způsobu pokrytí - z importovatelných skladových řádků pak budou vybrány ty, které splňují zvolenou podmínku pokrytí skladem.
|
|
Importovat pouze zcela pokrytou obj. přijatou |
Je-li zatrženo omezení importu pouze na zcela pokryté objednávky přijaté, zpřístupní se položka pro výběr nastavení.
Použití této položky je vhodné pouze v kombinaci s volbou importního manažeru "Jen pokryté skladem" se stavy "Částečně i zcela pokryté skl. řádky" nebo "Jen zcela pokryté skl. řádky". Ověřování disponibilního množství skladu se vždy provádí pro nasčítané množství všech řádků seskupených pro sklad a skladovou kartu. Pokud je pro kombinaci skladu a skladové karty povoleno vyskladnění do mínusu, kontrola se neprovádí. |
|
Ruční výběr řádků |
Řádky, které se mají ze zdrojových dokladů použít, lze vybrat i ručně stiskem tlačítka Řádky. Zde se otevře agenda Pohyby na objednávkách přijatých s tzv. červeným omezením, a to zde za všechnyimportovatelné řádky vybraných objednávek přijatých, podle nichž zde vytváříme fakturu vydanou. Toto červené omezení můžete v záložce Omezení standardně zrušit (vyčistit) a získat záznamy podle libovolného jiného omezení, nebo zcela bez omezení (a mít pak k dispozici seznam všech existujících pohybů z objednávek), nicméně do editovaného dokladu se z nich naimportují maximálně ty, co pochází z právě importovaných objednávek. |
|
Typ příjmu |
Zatržítko:
Je-li zatržítko zatrženo, je k dispozici:
|
|
Datum přepočtu měny |
Pokud je mezi importovanými doklady a cílovým dokladem nutný přepočet mezi měnami (např. vybrané zdrojové doklady jsou v různých měnách), je zde možnost zadat, k jakému datu se má vzít kurz pro přepočet cen do měny cílového dokladu. (Měna cílového dokladu je buď na něm zadaná, nebo může být i převzata z jednoho z importovaných dokladů v rámci převzetí hlavičkových údajů). Pokud nebude datum zadáno, provede se přepočet kurzem z hlavičky dokladů resp. podle datumů cílového dokladu. Jakým kurzem, je objasněno na příkladu v popisu položky jednotková cena skladového řádku dokladu. |
|
Importovat přílohy | Zatrhnete, pokud chcete k cílovému dokladu připojit stejné přílohy, jako má ve své záložce Přílohy zdrojový doklad. | |
Veškeré slevy převést do řádkových slev |
Slouží pro případ, kdy uživatel chce importovat více zdrojových dokladů s jinak nastavenými slevami do jednoho cílového, kdy samozřejmě nelze docílit stejné nastavení slev na cílovém dokladu jako na všech zdrojových. Podrobněji vč. příkladu viz Sloučení různých slev z více objednávek. |
|
Převzetí hlavičkových údajů |
Jedná se o možnost převzít důležité hlavičkové údaje z jednoho ze zdrojových dokladů. Takovými údaji může být např. firma, provozovna, druh dopravy apod., ale např. i dealerské slevy (tj. použití slev tabulkou či procentem z adresáře a dealerská kategorie) či jen dealerská kategorie, nastavení použití slev a slevová procenta hlavičkových slev. Přebírání použití slev a slevových procent neplatí pro případ Sloučení různých slev z více objednávek. Informace k přebírání slev viz dále Pravidla pro čerpání - importovatelné řádky. Možnost převzetí hlavičkových údajů se vůbec nenabízí, pokud již v dokladu nějaký řádek byl zadán, jelikož by mohlo dojít k nekompatibilitě údajů převzatých s údaji původními, za kterých byl(y) vytvořeny již existující řádky (např. nekompatibilní typ obchodu, měna apod.). Tedy případ, kdy je procesní tvorba vyvolána z již rozeditovaného dokladu. (Zde funkcí Import v detailu FV.) Totéž platí v případě, že sice aktuálně žádný řádek neexistuje, ale byl v rámci dané editace zadán a poté smazán. Pokud přesto chcete, aby se nabídla možnost převzetí rozdílných hlavičkových údajů, pak editaci ukončete a proveďte celou akci znovu. Pokud se možnost převzetí hlavičkových údajů nabízí, pak můžete zatrhnout, zda chcete hlavičkové údaje převzít a je-li zdrojových dokladů víc, tak i z kterého dokladu:
Zde se navíc rozdílné hlavičkové údaje mohou zobrazovat v případě, kdy procesní tvorba faktury podle objednávky přijaté byla vyvolána v rámci vystavování nové faktury podle zálohového listu, který je svázán s objednávkou, pokud si ji též přejete naimportovat. Pak se jedná v zásadě o rozdíl mezi hlavičkovými údaji daného zálohového listu a s ním dodatečně importované objednávky. Informace k přebírání slev viz dále Pravidla pro čerpání - importovatelné řádky. Pokud je odlišnost v měně, tj. liší se měna z importovaného dokladu od měny cílového editovaného dokladu, (tj. měna nebyla převzata nebo se její převzetí již nenabízí, jelikož již byl zadán v editovaném dokladu řádek), pak se podle aktuálního kurzovního lístku odpovídajícím způsobem přepočtou i případné importované ceny v obsahu dokladu. Import řádkových uživatelsky definovatelných položek viz dále Pravidla pro čerpání - importovatelné řádky. Od 1. 4. 2019 se ze zdrojového do následného dokladu nepřenáší:
Výjimkou jsou inverzní doklady (Vrácení pokladních příjmů (VP) a Dobropisy faktur vydaných (DV)), u kterých se hodnoty obou položek podle zdrojových dokladů přednastavují. |
|
Neuzavírat nově otevřenou agendu | Je-li zatrženo, po uložení cílového dokladu zůstane příslušná agenda (v tomto případě Faktury vydané) otevřená. Výchozí nastavení je možné ovlivnit parametrem Výchozí hodnota pro položku Neuzavírat nově otevřenou agendu při tvorbě nového dokladu. Zatrhávací pole je k dispozici pouze v případě vyvolání okna průvodce funkcí Vytvořit (nikoli Nový ani Import). |
Zadaná nastavení lze uložit pro další použití pomocí zatržítka ve spodní části okna průvodce: Uložit nastavení

Pokud importujete objednávku resp. její část, která dosud nebyla čerpána do DL a na níž existují nějaké rezervace, a tyto rezervace jsou k datu vystavení editovaného dokladu neplatné, program na tuto skutečnost upozorní. V takovém případě se nijak čerpání rezervací neuplatní. Pokud jde o omyl (vybrali jste doklad chybně, vystavujete doklad omylem k jinému datu apod., pak můžete import přerušit). Pokud jsou na importovaném dokladu rezervace a jsou platné, pak se na naimportované řádky uplatní podle pravidel pro čerpání rezervací z objednávek.
Pokud nebude možno nějaké importované položky z důvodu jejich rezervací čerpat, program nepovolí takový doklad uložit, viz dále krok Editace předpřiparveného dokladu a případný návrat zpět.
Veškeré mechanismy související s rezervacemi se v systému projevují pouze tehdy, pokud je firemní parametr Používat rezervace nastaven na hodnotu Ano.
Některé ovládací prvky a další součásti uživatelského rozhraní (například funkční tlačítka Rezervace nebo stejnojmenné záložky) se při nastavení tohoto parametru na hodnotu Ne nezobrazují.

Pokud se v rámci importu objednávky naimportoval i nějaký existující čerpatelný dodací list, který danou objednávku čerpá, program se zeptá, zda si přejete editovat editovaný doklad v režimu čerpání s opravou nebo bez opravy dodacích listů, viz dále.

Na importované OP mohou být navázané zálohové listy vydané. Program provede kontrolu, zda existují nějaké zálohové listy, které byly vystaveny na základě importovaných objednávek přijatých (viz možnosti vystavení nového ZLV). Pokud takové nalezne, nabídne automaticky možnost tyto zálohové listy rovnou zúčtovat. Zobrazí se seznam všech zálohových listů svázaných s některou z importovaných objednávek, kromě těch, které do daného dokladu již byly zúčtovány dříve (např. pokud byla faktura vystavena funkcí Nový podle téhož zálohového listu, který je svázán s importovanou objednávkou nebo ručně přímo v záložce Zálohové listy).
ZLV se nabízí bez ohledu na to, jaká část na nich zbývá k zúčtování. Pokud již není co zúčtovat, program tuto skutečnost oznámí v dalším kroku.
V seznamu můžete vybrat jeden nebo více (označených) zálohových listů, poté bude možné jeden po druhém do vystavované faktury zúčtovat.

Pokud jste v předchozím kroku z existujících zálohových listů nějaké označili, pak se pro ně postupně nabízí dialogová okna pro zadání údajů pro jejich zúčtování. Postup je stejný, jako při zúčtování zálohového listu provedeného např. ze záložky Zálohové listy dané faktury.

Ze závěrečných kontrol uvedených v rámci obecného popisu fáze Dokončení průvodce tvorbou dokladu zde přichází v úvahu následující:
- Kontrola shodnosti typu obchodu vybranýchdokladů a vytvářeného dokladu
- Kontrola shodnosti firmy vybraných dokladů a vytvářeného dokladu
Pokud importujete objednávky, se kterými se budou automaticky importovat i s nimi svázané dodací listy (dále viz Pravidla pro čerpání - importovatelné řádky), pak se výše zmíněné kontroly provádí nejen pro vybrané objednávky, ale i pro zmíněné dodací listy.

Vybrané hlavičkové údaje a řádky faktury vydané jsou předvyplněny podle údajů z objednávek přijatých, příp. podle údajů z předchozích kroků (u hlavičkových údajů jen tehdy, bylo-li jejich převzetí v předchozích krocích zvoleno). Předvyplněné údaje tvořeného dokladu však můžete dodatečně změnit či doplnit. Další postup je standardní jako u jiných dokladů, proto viz dále obecný popis fáze Editace předpřipraveného dokladu a případný návrat zpět.
Pokud importujete objednávku přijatou vystavenou v období, kdy platily původní sazby DPH, do faktury, která spadá do období, v němž již platí nové sazby DPH, do faktury se automaticky předvyplní aktuálně platné sazby DPH.
Před uložením editovaného dokladu proběhne kontrola, zda je možno expedované skladové položky uložit (zda na ně neexistují rezervace s vyšší prioritou apod.) a program příp. zobrazí příslušné informační hlášení, příp. nepovolí doklad s takovými řádky uložit. Dále viz pravidla pro čerpání rezervací z objednávek. (Platí pouze v případě, že je parametr Používat rezervace nastaven na hodnotu Ano.)
Dále je zde uvedeno:

- Mezi OP a FV vzniká pevná vazba. Viz záložka X-vazby OP a X-vazby FV.
- Doklady lze importovat i částečně (tj. jen některé jejich řádky nebo jen část některého řádku, viz kap. Importy dokladů - vazby mezi doklady)
- Čerpání OP do FV není přímé, ale probíhá skrze DL. Program nejprve zjistí již vytvořené DL z dané objednávky (z nich použije čerpatelné řádky) a jestliže OP není zcela vyčerpána, vytvoří na zbytek nový DL. (Viz též Kdy spolu s fakturou vzniká i nový dodací list a kolik jich vzniká.)
- Importovat lze vždy jen Importovatelné řádky:
- Typ 3-skladový a Typ 2-text s počtem a částkou → U těchto řádků se sleduje, kolik z nich již bylo vyčerpáno (viz položka Čerpáno v subzáložce Obsah importovaného dokladu). Řádek je vyhodnocen jako importovatelný tehdy, pokud na něm zbývá nějaký počet dosud nečerpaný do následných dokladů .
- Typ 1-text s částkou a Typ 0-text → U těchto řádků se sleduje, zda již byl někam čerpán (tj. v položce Čerpáno v subzáložce Obsah importovaného dokladu má hodnotu Ano). U řádků typu 1 se nesleduje, zda byl importován "částečně" (tj. zda byla do následného dokladu použita celá částka či nikoli). Jelikož ale u těchto řádků je někdy žádoucí, aby se mohly použít do následného dokladu záměrně opakovaně, platí následující:
- Pro řádky typu 0 - text a 1- text s částkou platí, že se mohou importovat opakovaně. Tj. při každém dalším importu OP do FV jsou vyhodnoceny jako importovatelné a naimportují se, kromě případu uvedeného v dalším bodě.
- Řádky typu 0 - text a 1- text s částkou se nenaimportují opakovaně, pokud se naimportovaly už v rámci řádku DL svázaného s danou OP, který je ještě nefakturován a tudíž se automaticky naimportuje s OP.
To platí i v případě, že z řádku typu 1 nebyla do následného dokladu použita celá částka, viz výše.
Pokud importujete objednávku, která již byla čerpána částečně do nějakých dodacích listů a na těchto DL je nějaký importovatelný řádek, pak se rovněž automaticky naimportují:
- jednak všechny importovatelné řádky (viz výše) ze všech dodacích listů, do kterých byla daná objednávka importována a ve kterých ještě zbývají nějaké nevyčerpané řádky typu 2 a 3
- jednak zbývající dosud nečerpaná část objednávky (k té po uložení dokladu vznikne nový dodací list), tj. dosud nevyčerpané řádky typu 2 a 3 s počty, které ještě lze čerpat a řádky typu 0 a 1, bez ohledu na stav položky Čerpáno, pokud už ve FV nejsou naimportovány z DL svázaných s importovanou objednávkou.
Při tom se samozřejmě příslušně zohledňují i případné vratky dodacích listů.
Pokud předvyplněný počet snížíte, bude se jednat o částečný import. Množství lze i zvýšit, tedy expedovat více, než bylo na objednávce.
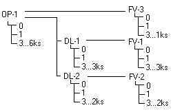
Objasníme na příkladu:
Mějme objednávku OP-1 s řádky typu 0, 1 a 3 na 6ks zboží. OP-1 naimportujeme do DL-1 a počet snížíme na 3ks. Tedy na DL-1 máme řádky typu 0, 1 a 3 v počtu 3ks. Poté ji naimportujeme po druhé do DL-2 a počet snížíme na 2ks.
a) Dodací listy nejsou vyfakturované. Pokud budeme vystavovat fakturu podle OP, naimportují se oba DL a zbytek OP, ale řádky typu 0, 1 se z OP již znovu neimportují. Viz následující schématický obrázek:
![]()
Schéma dokresluje, že řádky typu 0 a 1 z OP se do vystavované FV již nenaimportují opakovaně, jelikož tam jsou naimportovány již v rámci importu řádků ze svázaných DL.
b) Dodací listy vyfakturujeme. Pokud budeme vystavovat fakturu podle OP, tak z DL svázaných s danou OP se již nic neimportuje (už na nich není co fakturovat z řádků typu 2, 3). Do FV se naimportuje jen zbytek OP, přičemž v tomto se opakovaně naimportují i řádky typu 0, 1 (jelikož v dané FV zatím nejsou). Viz následující schématický obrázek:
![]()
Schéma dokresluje, že v tomto případě se řádky typu 0 a 1 z OP do další vystavované FV naimportují opakovaně. Pokud je ale nechcete, můžete je po importu jednoduše vymazat.
- Pokud importujete objednávku, na níž existují nějaké rezervace, uplatní se pravidla pro čerpání rezervací z objednávek.
- Po naimportování objednávky do faktury se doplní do řádků faktury i informace o cenách i DPH sazbách dle údajů z objednávky.
- Importované doklady lze odpojitv záložce Importované doklady (a tím smazat všechny z nich importované řádky, např. pro případ omylem naimportovaného dokladu) nebo lze importované řádky smazat ručně (po jednom nebo i hromadně označené).
Jak je to po odpojení resp. vymazání řádků s případným současným vymazáním řádků také z DL, viz popis u funkce Vymazat v navigátoru v záložce Obsah FV.
- Doklad nebo jeho část lze do téhož dokladu importovat opakovaně, ale pokud už jednou bylo v rámci editace naimportovaného řádku sníženo množství, pak se dalším importem téhož dokladu nijak nezmění (pouze případně přibudou další aktuálně nepoužité řádky).
Jak je to s možností znovu naimportovat případné vymazané řádky v rámci téže editace, viz popis u funkce Vymazat v navigátoru v záložce Obsah FV.
- Slevy a vyloučení ze slev - údaje týkající se slev se přebírají ze zdrojové OP u řádkových údajů automaticky, u hlavičkových s ohledem na zatržení převzetí hlavičkových údajů. Na cílovém dokladu se provede zmražení slev zatržením položky Neaktualizovat slevy, čímž je lze zachovat přesně tak, jak platily v okamžiku vystavení objednávky. Toto zatržení však lze samozřejmě zrušit.
Údaje týkající se nastavení slev a slevová procenta se ze zdroj. dokladu nepřebírají, jedná-li se o případ Sloučení různých slev z více objednávek (jelikož pak se slevy a vyloučení ze slev na výsledném dokladu řeší jiným způsobem).
Některé převzaté údaje týkající se slev se nemusí uplatnit na všechny řádky, ale jen na některé (s ohledem na to, zda se jedná o řádek importovaný či nově přidaný, zda byla či nebyla provedena Aktualizace slev atd.). Podrobně viz Zmražení slev na dokladech a import objednávek.
- Hodnoty řádkovýchuživatelsky definovatelných položek se ze zdrojových dokladů do cílového dokladu importují automaticky, pokud tyto položky splňují podmínky pro vzájemný import, viz obecný popis import hodnot uživatelsky definovatelných položek. Pokud je přebírat nechcete, upravte definici daných položek.
- Pokud používáte polohování a jedná se o import vychystávané OP, a jsou na ní šarže/sér. čísla, pak se do DL šarže/sér. čísla předvyplní a to z vychystávacích pozic připojených k dané OP. Předvyplní se vždy všechny šarže/sér. čísla z připojených vychystávacích pozic OP, které dosud nebyly použity při importu dané OP do jiného dokladu.
Pokud je jich v pozicích připojených k OP k dispozici více, než je aktuálně importovaný počet z OP do FV (resp. do DL), pak je třeba si je v záložce Šarže/sér. čísla dané FV upravit. Viz Zadávání šarží a sériových čísel na doklady.
-
V závislosti na nastavení parametru Povolit přečerpání objednávky přijaté může být možné uložit DL s množstvím převyšujícím množství na odpovídajícím řádku zdrojové objednávky přijaté (objednávku přečerpat).
Pokud je přečerpání uvedeným parametrem povoleno a řádek OP je již vyčerpaný (dříve vystavenými doklady), na nově vytvářeném DL se založí odpovídající řádek s přednastaveným množstvím 0.

Pokud importujete objednávku, ke které existuje nějaký dosud nevyčerpaný dodací list, který se spolu s ní automaticky importuje, můžete si zvolit, zda budete chtít tyto dodací listy současně i opravovat, či nikoli. Tzn., zda případné změny v řádcích naimportovaných z daných dodacích listů budou chápány jako oprava těchto dodacích listů či nikoli. Podle toho se liší následné chování systému. Můžete volit ze dvou režimů:
- Režim čerpání z DL bez opravy DL
- Režim čerpání z DL s opravou DL
Platí stejná pravidla, jako když importujete rovnou DL do FV. Proto další podrobný popis obou režimů vč. příkladů viz kap. Procesní tvorba dokladů - Dodací list → Faktura vydaná.
U objednávek samotných jde vždy pouze o režim čerpání bez opravy, tedy jakákoli změna počtu v naimportovaném řádku nijak nezmění původní objednávku.