Procesní tvorba dokladů - Objednávka přijatá (OP) → Faktura vydaná (FV)

Jedná se o jednu z možností tvorby faktury vydané (FV). Odkud lze vyvolat tvorbu FV a jaké jsou další podmínky pro vytvoření nové FV, viz popis funkce Nový v záložce Seznam agendy Faktury vydané. Co je procesní tvorba dokladů a její význam, viz kap. Procesní tvorba dokladů - obecně. Všeobecný postup viz kap. Procesní tvorba dokladů - Fáze a průvodce tvorbou dokladu.

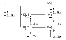
Zde uvedeme konkrétní údaje k tvorbě dokladu Faktura vydaná podle dokladu Objednávka přijatá:

 

Dále je zde uvedeno: