Procesní tvorba dokladů - Objednávka prijatá (OP) → Faktúra vydaná (FV)
Ide o jednu z možností tvorby faktúry vydanej (FV). Odkiaľ je možné tvorbu FV vyvolať a aké sú ďalšie podmienky pre vytvorenie novej FV, viď popis funkcie Nový v záložke Zoznam agendy Faktúry vydané. Čo je procesná tvorba dokladov a jej význam, viď kap. Procesná tvorba dokladov - všeobecne. Všeobecný postup viď kap. Procesná tvorba dokladov - Fázy a sprievodca tvorbou dokladu.
Tu uvedieme konkrétne údaje k tvorbe dokladu Faktúra vydaná podľa dokladu Objednávka prijatá:
- z agendy FV funkciou Nový podľa OP
- z agendy FV funkciou Import v rámci editácie FV
- z agendy OP funkciou Vytvoriť
- z agendy OP funkcí Hromadná fakturace
Tu je možnosť všeobecne vybrať viac zdrojových dokladov. Čiže vystaviť následnú FV podľa viacerých OP naraz. Či sa pre výber zdrojových dokladov ponúkne Sprievodca výberom dokladu alebo či sa vyberú iným spôsobom (označením priamo v záložke zoznam), závisí od miesta, odkiaľ bola procesná tvorba vyvolaná. Ďalej viď všeobecný popis fázy Výber zdrojových dokladov.
Tip pre prípad, kedy sa na výber dokladov vyvoláva Sprievodca výberom dokladov: Sprievodca umožňuje vyhľadávanie a výber požadovaného dokladu podľa rôznych kritérií a v tomto prípade má k dispozícii i voľbu "podľa predvyplnených podmienok" (viď popis Sprievodcu). Pokiaľ ju použijete, ponúkne zoznam obmedzený len podľa dokladov "čerpateľné". Požadovaný doklad potom vyberáte len z dokladov, z ktorých ešte je možné niečo čerpať. (Význam tohto obmedzenia viď kap. Objednávky prijaté - záložka Obmedzenie.)
Tu je ďalej súčasťou východiskového obmedzenia tiež obmedzenie podľa firmy - ponúkajú sa teda len objednávky prijaté vystavené na rovnakú firmu ako je firma v editovanej faktúre, s výnimkou prípadu, kedy v hlavičke dokladu je firma rovnaká ako firma z firemných nastavení (keďže v tom prípade ide zrejme o situáciu, kedy sa firma do hlavičky predvyplnila automaticky a používateľ zatiaľ konkrétnu firmu nezadal, čiže obmedzenie objednávok podľa tejto firmy by nebolo žiaduce).
Z vstupných kontrol uvedených v rámci všeobecného popisu fázy Vstupné kontroly vybraných dokladov tu prichádzajú do úvahy nasledujúce:
- Kontrola zhodnosti typu obchodu vybraných dokladov
- Kontrola zhodnosti firmy vybraných dokladov
- Kontrola zhodnosti použitia zliav vybraných dokladov
Pokiaľ importujete objednávky, s ktorými sa budú automaticky importovať aj s nimi zviazané dodacie listy (ďalej viď Pravidlá pre čerpanie - importovateľné riadky), tak sa vyššie spomenuté kontroly vykonávajú nielen pre vybrané objednávky, ale aj pre spomenuté dodacie listy.
- Kontrola čerpateľnosti vybraných dokladov - Tzn. či na vybraných zdrojových dokladoch existuje aspoň jeden riadok, ktorý bol vyhodnotený ako importovateľný.
Nejde o rovnaké obmedzenie ako je obmedzenie za čerpateľné doklady, viď kap. Objednávky prijaté - záložka Obmedzenie, keďže to berie do úvahy riadky 2 a 3 a neberie do úvahy riadky typu 0 a 1 (teda neberie do úvahy možnosť opakovateľného čerpania týchto riadkov).
Dopĺňajúce údaje k všeobecnému popisu fázy Vyvolanie sprievodcu tvorbou dokladu.
V prvom kroku zadáte základné hodnoty na predvyplnenie tvorenej faktúry vydanej:
Príklad dialógu pre predvyplnenie údajov tvorenej faktúry vydanej
K jednotlivým možnostiam:
| Názov | Popis | |
|---|---|---|
| Rad dokladov |
Nie je k dispozícii na editáciu, pokiaľ je procesná tvorba vyvolaná z už rozeditovaného dokladu, v ktorého hlavičke je už rad zadaný. (Tu funkciou Import v detaile FV.) Vyberiete rad dokladov. Zadanie radu je tu povinné. |
|
| Obmedzenie pre riadky (nie je teda nutné nechať si naimportovať všetky riadky, ktoré z daného dokladu importovať ešte možno, ale je možné vybrať si len niektoré, pričom pokiaľ je začiarknuté viac podmienok súčasne, tak sa z importovateľných riadkov naimportujú len tie riadky, ktoré spĺňajú všetky podmienky súčasne): | ||
| Výber podľa dátumu dodania |
Ak je začiarknuté obmedzenie podľa dátumu dodania, sprístupní sa položka pre zadanie hraničného dátumu - z importovateľných riadkov potom budú vybrané len tie, ktorých dátum dodania je nižší alebo rovný zadanému dátumu. Toto obmedzenie sa predtým vzťahovalo len na skladové riadky. Od v. 6.04 sa vzťahuje na všetky typy riadkov. Majme objednávku OP-1 a na nej riadok typu 3-skladový a riadok typu 2-text s počtom a sumou, oba s dátumom dodania 15.10.06. Importujeme OP-1 do FV a zadáme obmedzenie podľa dátumu dodania do 10.10.06. Ani jeden riadok sa nenaimportuje, keďže kritérium nespĺňa. Vyššie zmienené obmedzenia podľa importovaných riadkov nijako nezohľadňujú rezervácie. Kontrola prípadných rezervácií prebehne až pri uložení dokladu, viď ďalej. |
|
| Len pokryté skladom |
Ak je začiarknuté obmedzenie podľa pokrytia skladom, sprístupní sa položka na výber spôsobu pokrytia - z importovateľných skladových riadkov potom budú vybrané tie, ktoré spĺňajú zvolenú podmienku pokrytia skladom.
|
|
| Importovať iba úplne pokrytú obj. prijatú |
Je-li zatrženo omezení importu pouze na zcela pokryté objednávky přijaté, zpřístupní se položka pro výběr nastavení.
Použití této položky je vhodné pouze v kombinaci s volbou importního manažeru "Jen pokryté skladem" se stavy "Částečně i zcela pokryté skl. řádky" nebo "Jen zcela pokryté skl. řádky". Ověřování disponibilního množství skladu se vždy provádí pro nasčítané množství všech řádků seskupených pro sklad a skladovou kartu. Pokud je pro kombinaci skladu a skladové karty povoleno vyskladnění do mínusu, kontrola se neprovádí. |
|
| Ručný výber riadkov |
Riadky, ktoré sa majú zo zdrojových dokladov použiť, je možné vybrať aj ručne stlačením tlačidla Riadky. Zde se otevře agenda Pohyby na objednávkách přijatých s tzv. červeným omezením, a to zde za všechnyimportovatelné řádky vybraných objednávek přijatých, podle nichž zde vytváříme fakturu vydanou. Toto červené obmedzenie môžete v záložke Obmedzenie štandardne zrušiť (vyčistiť) a získať záznamy na základe ľubovoľného iného obmedzenia, prípadne úplne bez obmedzenia (a mať tak k dispozícii zoznam všetkých existujúcich pohybov z objednávok), do editovaného dokladu sa z nich však naimportujú maximálne tie, ktoré pochádzajú z práve importovaných objednávok. |
|
| Typ príjmu |
Začiarkavacie políčko:
Ak je začiarkavacie políčko začiarknuté, je k dispozícii:
|
|
| Dátum prepočtu meny |
Pokiaľ je medzi importovanými dokladmi a cieľovým dokladom nutný prepočet medzi menami (napr. vybrané zdrojové doklady sú v rôznych menách), je tu možnosť zadať, k akému dátumu sa má zobrať kurz pre prepočet cien do meny cieľového dokladu. (Mena cieľového dokladu je buď na ňom zadaná, alebo môže byť aj prevzatá z jedného z importovaných dokladov v rámci prevzatia hlavičkových údajov). Pokiaľ nebude dátum zadaný, vykoná sa prepočet kurzom z hlavičky dokladov resp. podľa dátumov cieľového dokladu. Akým kurzom, je objasnené na príklade v popise položky jednotková cena skladového riadka dokladu. |
|
| Importovať prílohy | Začiarknite, pokiaľ chcete k cieľovému dokladu pripojiť rovnaké prílohy, ako má v svojej záložke Prílohy zdrojový doklad. | |
| Všetky zľavy previesť do riadkových zliav |
Slúži pre prípad , kedy používateľ chce importovať viacero zdrojových dokladov s inak nastavenými zľavami do jedného cieľového, kedy samozrejme nie je možné docieliť rovnaké nastavenie zliav na cieľovom doklade ako na všetkých zdrojových. Podrobnejšie vr. príkladu viď Zlúčenie rôznych zliav z viacerých objednávok. |
|
| Prevzatie hlavičkových údajov |
Ide o možnosť prevziať dôležité hlavičkové údaje z jedného zo zdrojových dokladov. Takými údajmi môže byť napr. firma, prevádzkareň, druh dopravy a pod., ale napr. aj dílerské zľavy (tzn. použitie zliav tabuľkou či percentom z adresára a dílerská kategória) či len dílerská kategória, nastavenie použitia zliav a zľavové percentá hlavičkových zliav. Preberanie použitia zliav a zľavových percent neplatí pre prípad Zlúčenie rôznych zliav z viacerých objednávok. Informácie o preberaní zliav viď ďalej Pravidlá pre čerpanie - importovateľné riadky. Možnosť prevzatia hlavičkových údajov sa vôbec neponúka, pokiaľ už v doklade nejaký riadok bol zadaný, keďže by mohlo dôjsť k nekompatibilite údajov prevzatých s údajmi pôvodnými, za ktorých bol(i) vytvorené už existujúce riadky (napr. nekompatibilný typ obchodu, mena a pod.). Teda prípad, kedy je procesná tvorba vyvolaná z už rozeditovaného dokladu. (Tu funkciou Import v detaile FV.) To isté platí v prípade, že síce aktuálne žiadny riadok neexistuje, ale bol v rámci danej editácie zadaný a potom zmazaný. Ak aj napriek tomu chcete, aby sa ponúkla možnosť prevzatia rozdielnych hlavičkových údajov, tak editáciu ukončite a celú akciu zopakujte. Pokiaľ sa možnosť prevzatia hlavičkových údajov ponúka, tak môžete začiarknuť, či chcete hlavičkové údaje prevziať a ak je zdrojových dokladov viac, tak aj z ktorého dokladu:
Celkové hotovostní zaokrouhlení z agendy Firemné údaje se převezme za předpokladu, že je v agendě Firemné údaje nastaveno předvyplňování celkového hotovostního zaokrouhlení na hodnotu: Aritm. s minimem na 0,05 a zároveň původní doklad (OP) s typem platby Hotově a měnou EUR má celkové zaokrouhlení Aritmeticky na 0,01. Tu sa navyše rozdielne hlavičkové údaje môžu zobrazovať v prípade, kedy procesná tvorba faktúry podľa objednávky prijatej bola vyvolaná v rámci vystavovania novej faktúry podľa zálohového listu, ktorý je zviazaný s objednávkou, pokiaľ si ju tiež želáte naimportovať. Potom ide v zásade o rozdiel medzi hlavičkovými údajmi daného zálohového listu a s ním dodatočne importovanej objednávky. Informácie o preberaní zliav viď ďalej Pravidlá pre čerpanie - importovateľné riadky. Pokiaľ je odlišnosť v mene, tzn. líši sa mena z importovaného dokladu líši od meny cieľového editovaného dokladu, (tzn. mena nebola prevzatá alebo sa jej prevzatie už neponúka, keďže už bol zadaný v editovanom doklade riadok), potom sa podľa aktuálneho kurzového lístka zodpovedajúcim spôsobom prepočítajú aj prípadné importované ceny v obsahu dokladu. Import riadkových používateľsky definovateľných položiek viď ďalej Pravidlá pre čerpanie - importovateľné riadky. |
|
| Neuzatvárať novootvorenú agendu | Ak je začiarknuté, po uložení cieľového dokladu zostane príslušná agenda (v tomto prípade Faktúry vydané) otvorená. Východiskové nastavenie je možné ovplyvniť parametrom Východisková hodnota pre položku Neuzatvárať novootvorenú agendu pri tvorbe nového dokladu. Začiarkávacie pole je k dispozícii len v prípade vyvolania okna sprievodcu funkciou Vytvoriť (nie Nový ani Import). | |
Zadané nastavenia je možné uložiť pre ďalšie použitie pomocou začiarkávacieho políčka v spodnej časti okna sprievodcu: Uložiť nastavenia
Keď importujete objednávku resp. jej časť, ktorá zatiaľ nebola čerpaná do DL a na ktorej existujú nejaké rezervácie, a tieto rezervácie sú k dátumu vystavenia editovaného dokladu neplatné, program na túto skutočnosť upozorní. V takom prípade sa nijako čerpanie rezervácií neuplatní. Ak ide o omyl (vybrali ste doklad chybne, vystavujete doklad omylom k inému dátumu a pod., tak môžete import prerušiť). Keď sú na importovanom doklade rezervácie a sú platné, tak sa na naimportované riadky uplatnia podľa pravidiel pre čerpanie rezervácií z objednávok.
Pokiaľ nebude možné nejaké importované položky z dôvodu ich rezervácií čerpať, program nepovolí takýto doklad uložiť, viď ďalej krok Editácia predpripraveného dokladu a prípadný návrat späť.
Všetky mechanizmy súvisiace s rezerváciami sa v systéme prejavujú len vtedy, pokiaľ je firemný parameter Používať rezervácie nastavený na hodnotu Áno.
Niektoré ovládacie prvky a ďalšie súčasti užívateľského rozhrania (napríklad funkčné tlačidlá Rezervácie alebo rovnomenné záložky) sa pri nastavení tohto parametra na hodnotu Nie nezobrazujú.
Pokiaľ sa v rámci importu objednávky naimportoval aj nejaký existujúci čerpateľný dodací list, ktorý danú objednávku čerpá, program sa opýta, či si želáte editovať editovaný doklad v režime čerpania s opravou alebo bez opravy dodacích listov.
Na importované OP môžu byť naviazané zálohové listy vydané. Program vykoná kontrolu, či existujú nejaké zálohové listy, ktoré boli vystavené na základe importovaných objednávok prijatých (viď možnosti vystavenia nového ZLV). Pokiaľ také nájde, ponúkne automaticky možnosť tieto zálohové listy priamo zúčtovať. Zobrazí sa zoznam všetkých zálohových listov zviazaných s niektorou z importovaných objednávok, okrem tých, ktoré do daného dokladu už boli zúčtované skôr (napr. pokiaľ bola faktúra vystavená funkciou Nový podľa toho istého zálohového listu, ktorý je zviazaný s importovanou objednávkou alebo ručne priamo v záložke Zálohové listy).
ZLV sa ponúkajú bez ohľadu na to, aká časť na nich zostáva na zúčtovanie. Pokiaľ už nie je čo zúčtovať, program túto skutočnosť oznámi v ďalšom kroku.
V zozname môžete vybrať jeden alebo viac (označených) zálohových listov, potom bude možné jeden po druhom do vystavovanej faktúry zúčtovať.
Pokiaľ ste v predchádzajúcom kroku z existujúcich zálohových listov nejaké označili, potom sa pre ne postupne ponúkajú dialógové okná na zadanie údajov na ich zúčtovanie. Postup je rovnaký, ako pri zúčtovaní zálohového listu vykonaného napr. zo záložky Zálohové listy danej faktúry.
Zo záverečných kontrol uvedených v rámci všeobecného popisu fázy Dokončenie sprievodcu tvorbou dokladu tu prichádzajú do úvahy nasledujúce:
- Kontrola zhodnosti typu obchodu vybranýchdokladov a vytváraného dokladu
- Kontrola zhodnosti firmy vybraných dokladov a vytváraného dokladu
Pokiaľ importujete objednávky, s ktorými sa budú automaticky importovať aj s nimi zviazané dodacie listy (ďalej viď Pravidlá pre čerpanie - importovateľné riadky), tak sa vyššie spomenuté kontroly vykonávajú nielen pre vybrané objednávky, ale aj pre spomenuté dodacie listy.
Vybrané hlavičkové údaje a riadky faktúry vydanej sú predvyplnené podľa údajov z objednávok prijatých, príp. podľa údajov z predchádzajúcich krokov (pri hlavičkových údajoch len vtedy, ak bolo ich prevzatie v predchádzajúcich krokoch zvolené). Predvyplnené údaje tvoreného dokladu však môžete dodatočne zmeniť či doplniť. Ďalší postup je štandardný ako pri iných dokladoch, preto viď ďalej všeobecný popis fázy Editácia predpripraveného dokladu a prípadný návrat späť.
Ak importujete objednávku prijatú vystavenú v období, keď platili pôvodné sadzby DPH, do faktúry, ktorá spadá do obdobia, v ktorom už platia nové sadzby DPH, do faktúry sa automaticky predvyplnia aktuálne platné sadzby DPH.
Pred uložením editovaného dokladu prebehne kontrola, či je možné expedované skladové položky uložiť (či na ne neexistujú rezervácie s vyššou prioritou a pod.) a program príp. zobrazí príslušné informačné hlásenie, príp. nepovolí doklad s takými riadkami uložiť. Ďalej viď pravidlá pre čerpanie rezervácií z objednávok. (Platí len v prípade, že je parameter Používať rezervácie nastavený na hodnotu Áno.)
Ďalej je tu uvedené:
- Medzi OP a FV vzniká pevná väzba. Viď záložku X-väzby OP a X-väzby FV.
- Doklady je možné importovať aj čiastočne (tzn. len niektoré ich riadky alebo len časť niektorého riadka, viď kap. Importy dokladov - väzby medzi dokladmi)
- Čerpanie OP do FV nie je priame, ale prebieha cez DL. Program najskôr zistí už vytvorené DL z danej objednávky (z nich použije čerpateľné riadky) a pokiaľ OP nie je úplne vyčerpaná, vytvorí na zvyšok nový DL. (Viď tiež Kedy spolu s faktúrou vzniká aj nový dodací list a koľko ich vzniká.)
- Importovať je možné vždy len Importovateľné riadky:
- Typ 3-skladový a Typ 2-text s počtom a sumou → Pri týchto riadkoch sa sleduje, koľko z nich už bolo vyčerpané (viď položka Čerpané v subzáložke Obsah importovaného dokladu). Riadok je vyhodnotený ako importovateľný vtedy, pokiaľ na ňom zostáva nejaký počet zatiaľ nečerpaný do následných dokladov .
- Typ 1-text so sumou a Typ 0-text → Pri týchto riadkoch sa sleduje, či už bol niekam čerpaný (tzn. v položke Čerpané v subzáložke Obsah importovaného dokladu má hodnotu Áno). Pri riadkoch typu 1 sa nesleduje, či bol importovaný "čiastočne" (tzn. či bola do následného dokladu použitá celá suma alebo nie). Keďže ale pri týchto riadkoch je niekedy žiaduce, aby sa mohli použiť do následného dokladu zámerne opakovane, platí nasledujúce:
- Pre riadky typu 0 - text a 1- text so sumou platí, že sa môžu importovať opakovane. Tzn. pri každom ďalšom importe OP do FV sú vyhodnotené ako importovateľné a naimportujú sa, okrem prípadu uvedeného v ďalšom bode.
- Riadky typu 0 - text a 1- text so sumou sa nenaimportujú opakovane, pokiaľ sa naimportovali už v rámci riadka DL zviazaného s danou OP, ktorý je ešte nefakturovaný a tým pádom sa automaticky naimportuje s OP.
To platí aj v prípade, že z riadka typu 1 nebola do následného dokladu použitá celá suma, viď vyššie.
Pokiaľ importujete objednávku, ktorá už bola čerpaná čiastočne do nejakých dodacích listov a na týchto DL je nejaký importovateľný riadok, tak sa taktiež automaticky naimportujú:
- jednak všetky importovateľné riadky (viď vyššie) zo všetkých dodacích listov, do ktorých bola daná objednávka importovaná a v ktorých ešte zvyšujú nejaké nevyčerpané riadky typu 2 a 3
- jednak zvyšujúca doteraz nečerpaná časť objednávky (k tej po uložení dokladu vznikne nový dodací list), tzn. doteraz nevyčerpané riadky typu 2 a 3 s počtami, ktoré ešte je možné čerpať a riadky typu 0 a 1, bez ohľadu na stav položky Čerpané, pokiaľ už vo FV nie sú naimportované z DL zviazaných s importovanou objednávkou.
Pri tom sa samozrejme príslušne zohľadňujú aj prípadné vratky dodacích listov.
Ak predvyplnený počet znížite, pôjde o čiastočný import. Množstvo je možné aj zvýšiť, teda expedovať viac, ako bolo na objednávke.
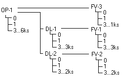
Objasníme na príklade:
Majme objednávku OP-1 s riadkami typu 0, 1 a 3 na 6ks tovaru. OP-1 naimportujeme do DL-1 a počet znížime na 3ks. Teda na DL-1 máme riadky typu 0, 1 a 3 v počte 3ks. Potom ju naimportujeme druhýkrát do DL-2 a počet znížime na 2ks.
a) Dodacie listy nie sú vyfakturované. Pokiaľ budeme vystavovať faktúru podľa OP, naimportujú sa oba DL a zvyšok OP, ale riadky typu 0, 1 sa z OP už znovu neimportujú. Viď nasledujúci schematický obrázok:
![]()
Schéma dokresľuje, že riadky typu 0 a 1 z OP sa do vystavovanej FV už nenaimportujú opakovane, keďže tam sú naimportované už v rámci importu riadkov zo zviazaných DL.
b) Dodacie listy vyfakturujeme. Pokiaľ budeme vystavovať faktúru podľa OP, tak z DL zviazaných s danou OP sa už nič neimportuje (už na nich nie je čo fakturovať z riadkov typu 2, 3). Do FV sa naimportuje len zvyšok OP, pričom v tomto sa opakovane naimportujú aj riadky typu 0, 1 (keďže v danej FV zatiaľ nie sú). Viď nasledujúci schematický obrázok:
![]()
Schéma dokresľuje, že v tomto prípade sa riadky typu 0 a 1 z OP do ďalšej vystavovanej FV naimportujú opakovane. Pokiaľ ich ale nechcete, môžete ich po importe jednoducho vymazať.
- Keď importujete objednávku, na ktorú existujú nejaké rezervácie, uplatnia sa pravidlá pre čerpanie z rezervácií.
- Po naimportovaní objednávky do faktúry sa doplnia do riadkov faktúry aj informácie o cenách i DPH sadzbách podľa údajov z objednávky.
- Importované doklady je možné odpojiťv záložke Importované doklady (a zmazať tak všetky z nich importované riadky, napr. pre prípad omylom naimportovaného dokladu) alebo je možné importované riadky zmazať ručne (po jednom alebo aj hromadne označené).
Ako je to po odpojení resp. vymazaní riadkov s prípadným súčasným vymazaním riadkov aj z DL, viď popis pri funkcii Vymazať v navigátore v záložke Obsah FV.
- Doklad alebo jeho časť je možné do toho istého dokladu importovať opakovane, ale pokiaľ už raz bolo v rámci editácie naimportovaného riadka znížené množstvo, tak sa ďalším importom rovnakého dokladu nijako nezmení (len prípadne pribudnú ďalšie aktuálne nepoužité riadky).
Ako je to s možnosťou znovu naimportovať prípadné vymazané riadky v rámci tej istej editácie, viď popis pri funkcii Vymazať v navigátore v záložke Obsah FV.
- Zľavy a vylúčenie zo zliav - údaje týkajúce sa zliav sa preberajú zo zdrojovej OP v prípade riadkových údajov automaticky, v prípade hlavičkových s ohľadom na začiarknutie prevzatia hlavičkových údajov. Na cieľovom doklade dôjde k zmrazeniu zliav začiarknutím položky Neaktualizovať zľavy, čím ich je možné zachovať presne tak, ako platili v okamihu vystavenia objednávky. Toto začiarknutie však je možné samozrejme zrušiť.
Údaje týkajúce sa nastavenia zliav a zľavové percentá sa zo zdroj. dokladu nepreberajú, ak ide o prípad Zlúčenie rôznych zliav z viacerých objednávok (keďže sa potom zľavy a vylúčenie zo zliav na výslednom doklade riešia iným spôsobom).
Niektoré prevzaté údaje týkajúce sa zliav sa nemusia uplatniť na všetky riadky, ale len na niektoré (s ohľadom na to, či ide o riadok importovaný či novo pridaný, či bola alebo nebola vykonaná Aktualizácia zliav atď.). Podrobne viď Zmrazenie zliav na dokladoch a import objednávok.
- Hodnoty riadkovýchpoužívateľsky definovateľných položiek sa zo zdrojových dokladov do cieľového dokladu importujú automaticky, pokiaľ tieto položky spĺňajú podmienky pre vzájomný import, viď všeobecný popis import hodnôt používateľsky definovateľných položiek. Pokiaľ ich preberať nechcete, upravte definíciu daných položiek.
- Pokiaľ používate polohovanie a ide o import pripravovanej OP, a sú na nej šarže/sér. čísla, tak sa do DL šarže/sér. čísla predvyplnia a to z pripravovacích pozícií pripojených k danej OP. Predvyplnia sa vždy všetky šarže/sér. čísla z pripojených pripravovacích pozícií OP, ktoré ešte neboli použité pri importe danej OP do iného dokladu.
Pokiaľ je ich v pozíciách pripojených k OP k dispozícii viac, ako je aktuálne importovaný počet z OP do FV (resp. do DL), je potrebné, aby ste si ich v záložke Šarže/sér. čísla danej FV upravili. Viď Zadávanie šarží a sériových čísel na doklady.
-
V závislosti od nastavenia parametra Povoliť prečerpanie objednávky prijatej môže byť možné uložiť DL s množstvom prevyšujúcim množstvo na zodpovedajúcom riadku zdrojovej objednávky prijatej (objednávku prečerpať).
Pokiaľ je prečerpanie uvedeným parametrom povolené a riadok OP je už vyčerpaný (predtým vystavenými dokladmi), na novovytvorenú DL sa založí zodpovedajúci riadok s prednastaveným množstvom 0.
Pokiaľ importujete objednávku, ku ktorej existuje nejaký dosiaľ nevyčerpaný dodací list, ktorý sa spolu s ňou automaticky importuje, môžete si zvoliť, či budete chcieť tieto dodacie listy súčasne i opravovať, alebo nie. Tzn., či prípadné zmeny v riadkoch naimportovaných z daných dodacích listov budú chápané ako oprava týchto dodacích listov alebo nie. Podľa toho sa líši následné chovanie systému. Môžete voliť z dvoch režimov:
- Režim čerpania z DL bez opravy DL
- Režim čerpania z DL s opravou DL
Platia rovnaké pravidlá, ako keď importujete priamo DL do FV. Preto ďalší podrobný popis oboch režimov vr. príkladov viď kap. Procesná tvorba dokladov - Dodací list → Faktúra vydaná.
Pri objednávkach ide vždy len o režim čerpania bez opravy, takže akákoľvek zmena počtu v naimportovanom riadku nijako nezmení pôvodnú objednávku.